Raccordi

Nella tecnologia ad alta pressione si impiegano raccordi speciali che, grazie alla loro ermetizzazione metallica per mezzo del cono per alte pressioni, possono essere utilizzati fino a oltre 15000 bar. Tutte le giunzioni per i raccordi tubolari in commercio per condotte di preriempimento o di scarico sono riportate nel nostro catalogo.

Nelle categorie seguenti sono indicati i nostri raccordi ad alta pressione standard.

Su richiesta sono disponibili soluzioni speciali.

Hochdruck - Verschraubungen

Druckschrauben

Druckringe

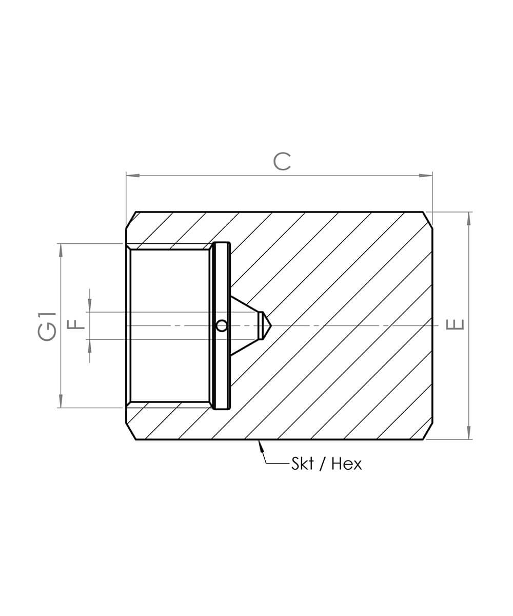
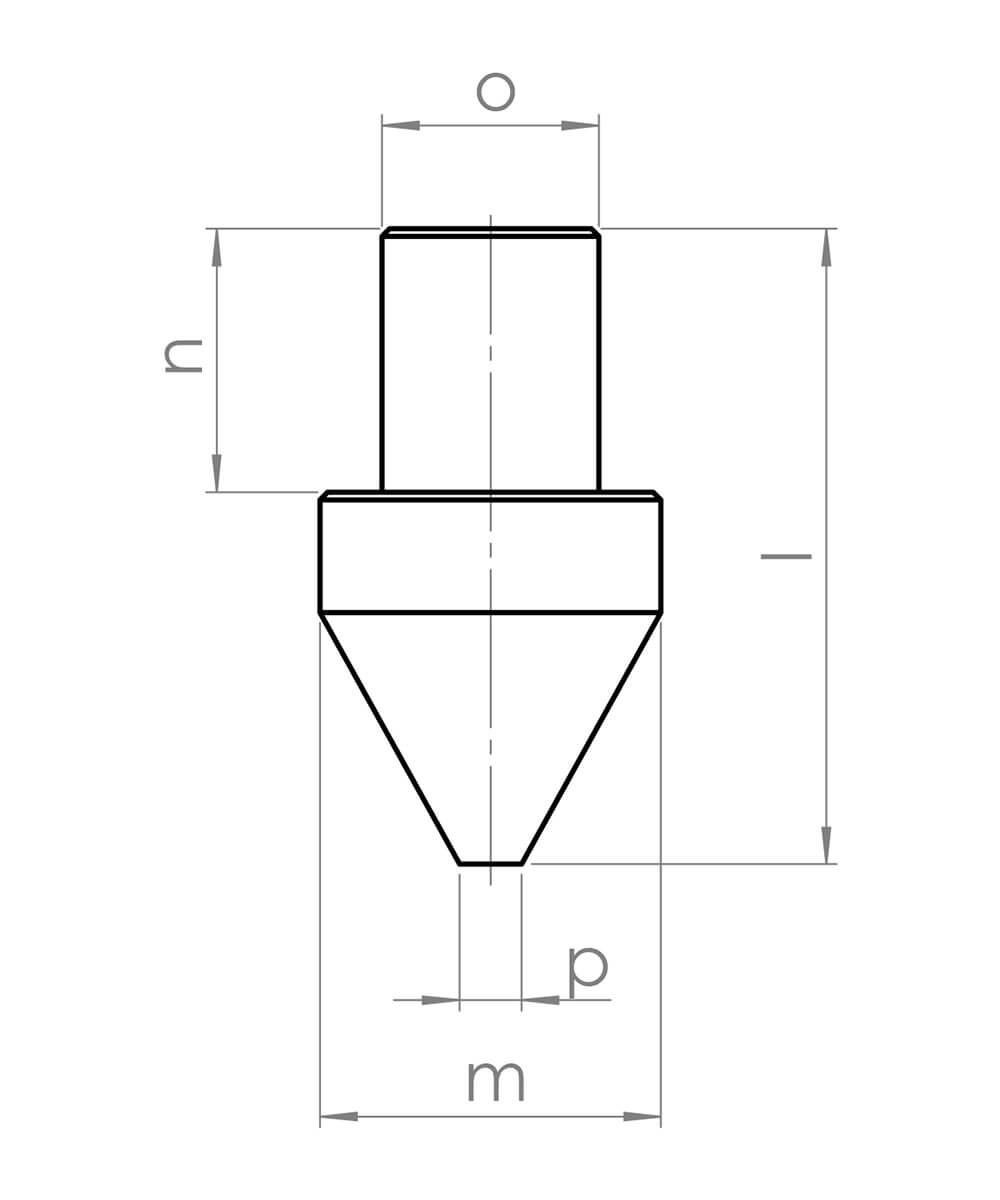
Blindstopfen

Endkappen

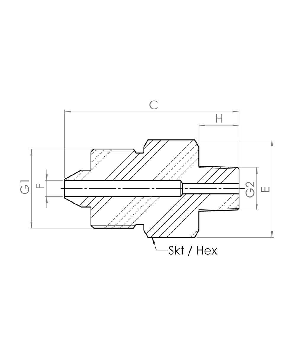
Gerade Hochdruck-Verbinder

Innen - Innen

Aussen - Aussen

Gerade Hochdruck-Reduzierungen

Innen - Innen

Innen - Aussen

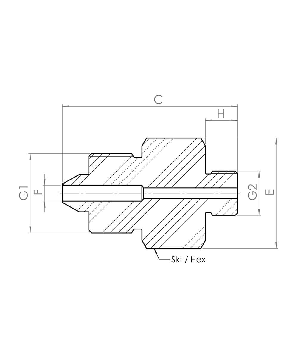
Gerade Hochdruck-Übergänge

Innen - Innen: BSP-Rohrgewinde

Innen - Innen: NPT-Gewinde

Aussen - Aussen: BSP-Rohrgewinde

Aussen - Aussen: NPT-Gewinde


Aussen - Innen: BSP-Rohrgewinde

Aussen - Innen: NPT-Gewinde

Innen - Aussen: BSP-Rohrgewinde

Innen - Aussen: NPT-Gewinde

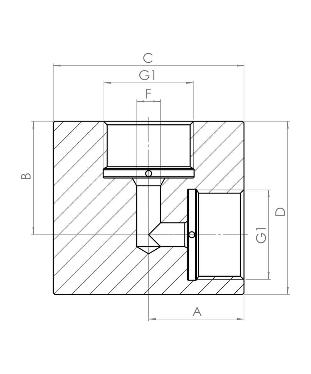
Hochdruck Winkelstücke und Verteiler

HD Winkel

HD T-Stücke

HD Kreuz

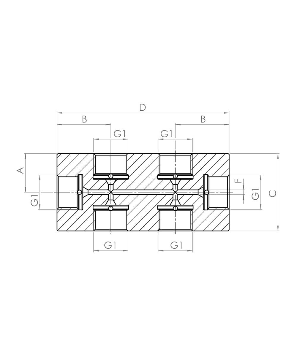
HD Mehrfach-Verteiler